主页

Hot - line:400-900-88120086-21-54187977、51098812

经济型光栅尺

< >

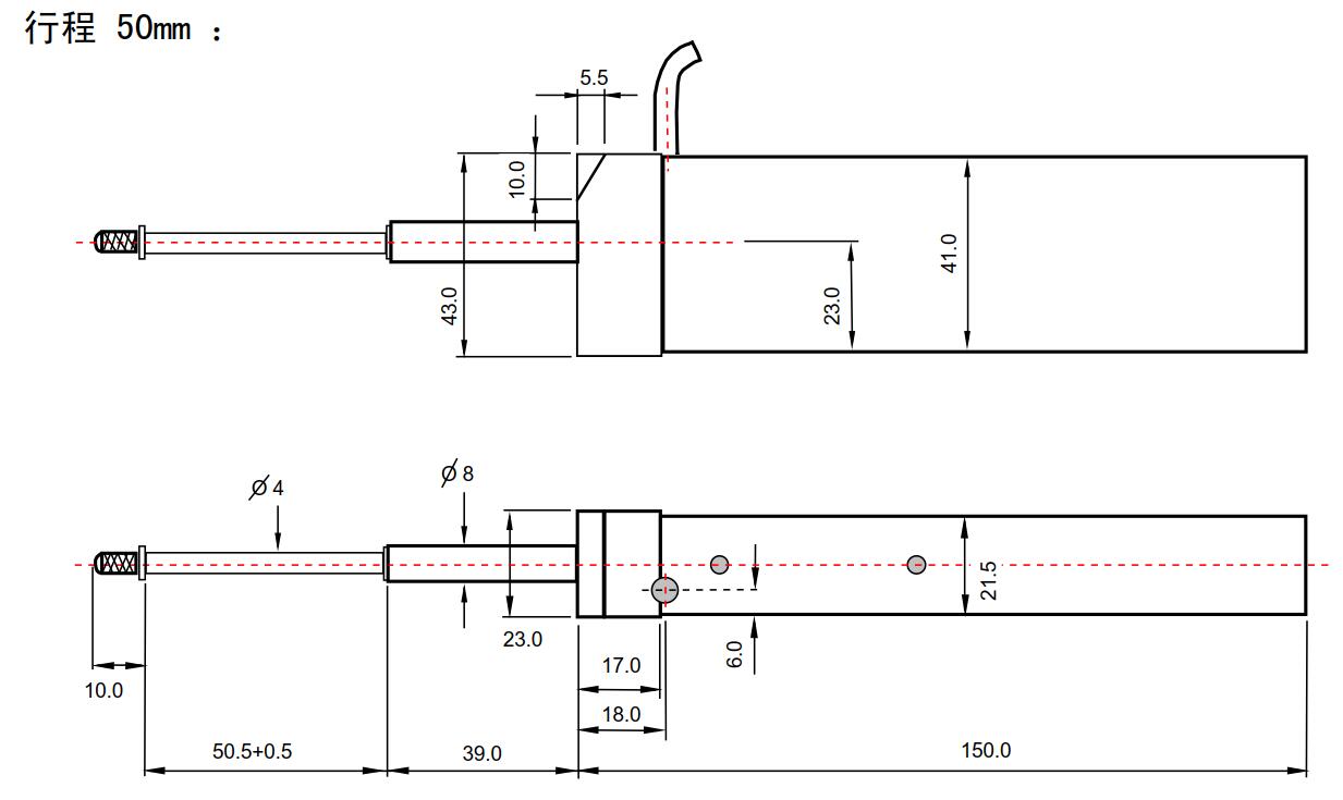
FCG 系列光栅位移传感器

• 精密小型测量、性能更稳定 • 重复精度最高可达0.1um • 分辨率最高 0.1um,0.5um,1um,5um,10um 可选 • 标准测量行程最大 50mm • 输出信号:5V TTL/差分 • 全进口滚珠直线轴承,国外代工

产品资料与下载
• 外 壳 阳极氧化铝
• 外形尺寸 紧凑, 侧头螺牙M 2.5
• 核心材料  玻璃光栅片,滚珠轴承

• 计数方式 电子细分技术和4倍频处理

• 方波信号 增量 A、B、 5V方波脉冲

• 电气连线 标配1米, 带DB9公头


应用:

• 机器人技术,实验室测量

• 医疗,薄膜检测
• 精密现代化加工设备